MCY型轴向柱塞泵
    SCY型轴向柱塞泵
    CCY型轴向柱塞泵
    YCY型轴向柱塞泵
    MYCY型轴向柱塞泵
    PCY型轴向柱塞泵
    DCY型轴向柱塞泵
    BCY型轴向柱塞泵
    母线槽
    电缆桥架
    纺织导向板
    轴向柱塞泵配件
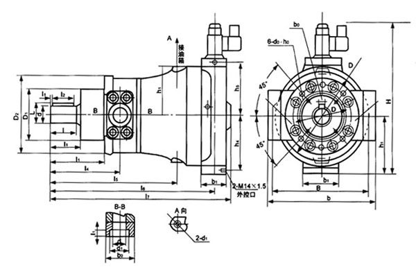
结构图
10、25(32).40.63(80)BCY14-1B
160、250、(400)BCY14-1B
 
型号
B
b
b0
(N9)
b1
b2
b3
D0
D1
(f9)
D2
D3
d
(h6)
d1
d2
d3
10BCY14-1B
172
142
8
50
88
100
75
125
150
25
M22×1.5
M14×1.5
25(32)BCY14-1B
198
172
8
66
100
125
100
150
170
30
M33×2
M14×1.5
40BCY14-1B
198
172
10
66
100
135
100
150
170
32
M39×2
M18×1.5
63(80)BCY14-1B
258
200
12
74
104
155
120
190
225
40
M42×2
M18×1.5
160BCY14-1B
332
340
16
100
120
90
198
150
240
300
55
50
64
M22×1.5
250BCY14-1B
385
420
18
100
140
110
230
180
280
360
60
55
76
M22×1.5
400BGY14-1B
385
420
18
100
140
110
230
180
280
360
60
65
76
M22×1.5
 
型号
H
h1
h2
h3
h4
h5
L
I
I0
I1
I2
I3
I4
I5
I6
t
d0×h0
10BCY14-1B
300
71
100
65
295
40
30
4
41
86
109
194
258
28
M10×25深
25(32)BCY14-1B
318
83
110
80
362
52
45
4
54
104
134
246
317
32.5
M10×25深
40BCY14-1B
318
83
110
80
362
52
45
4
54
104
157
246
317
35
M10×25深
63(80)BCY14-1B
350
108
140
127
126
440
60
50
4
62
122
230
300
389
42.8
M12×25深
160BCY14-1B
415
141
173
25
157
159
595
106
100
4
110
180
272
411
533
59
M16×35深
250BCY14-1B
485
170
210
25
193
193
691
110
100
5
112
212
277
492
629
63.9
M20×45深
400BGY14-1B
485
170
210
25
193
193
701
110
100
5
112
212
134
502
639
63.9
M20×45深
 
    
启东市润迪油泵制造有限公司  地址:启东科技创业园杨沙路6号  电话:0513-83630695   传真:0513-83630690 轴向柱塞泵
手机:13906284160  网址:www.shzfsy.com  邮箱:zy@shzfsy.com jsqdrd@126.com百度酷站目录 GOOGLE