MCY型轴向柱塞泵
    SCY型轴向柱塞泵
    CCY型轴向柱塞泵
    YCY型轴向柱塞泵
    MYCY型轴向柱塞泵
    PCY型轴向柱塞泵
    DCY型轴向柱塞泵
    BCY型轴向柱塞泵
    母线槽
    电缆桥架
    纺织导向板
    轴向柱塞泵配件
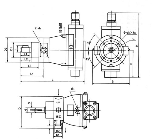
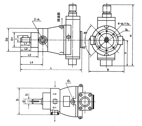
结构图
特性曲线
10、25、32、(40)63(80)MYCY14-1B
泵的型号
进口
出口
10MYCY14-1B
22×16
18×13
25.30MYCY14-1B
34×24
28×20
40MYCY14-1B
42×30
34×24
63MYCY14-1B
50×38
42×30
160MYCY14-1B
泵的型号
进口
出口
160MYCY14-1B
63×46
50×38
 
尺寸
型号
B
b
b0
b1
D0
D1
D2
d
d1
d2
H
h
h1
L
I1
I2
I3
I4
t
d0×h0
10
MYCY14-1B
172
142
8
100
75
125
25
M22×1.5
282
127
295
40
41
86
109
28
M10×25
25(32)
198
172
8
125
100
150
30
M33×2
335
153
362
52
54
104
134
32.5
M10×25
40
198
180
10
135
100
164
32
M39×2
344
168
362
52
54
104
134
35
M10×25
63(80)
258
200
12
155
120
190
40
M42×2
382
188
440
60
62
122
157
42.8
M12×25
160
322
340
16
90
198
150
240
55
50
64
515
222
25
595
108
110
180
230
59
M16×35
 
    
启东市润迪油泵制造有限公司  地址:启东科技创业园杨沙路6号  电话:0513-83630695   传真:0513-83630690 轴向柱塞泵
手机:13906284160  网址:www.shzfsy.com  邮箱:zy@shzfsy.com jsqdrd@126.com百度酷站目录 GOOGLE