MCY型轴向柱塞泵
    SCY型轴向柱塞泵
    CCY型轴向柱塞泵
    YCY型轴向柱塞泵
    MYCY型轴向柱塞泵
    PCY型轴向柱塞泵
    DCY型轴向柱塞泵
    BCY型轴向柱塞泵
    母线槽
    电缆桥架
    纺织导向板
    轴向柱塞泵配件
结构原理简述
   该种变量形式的轴向柱塞泵是靠泵本身压力自动控制,如上图高压油流通过通道(a)、(b)、(c),进入变量壳体(302)的下腔(d),由此经过通道(e) 分别进入通道(f)和(h),当弹簧的作用力大于由通道(f)进入伺服活塞(309)下端环形面积的液压推力时,则油液经(h)进入上腔(g),推动变量活塞(301)向下移动,使泵的流量增加。
   反之,当泵的压力克服弹簧力使伺服活塞向上动时,堵塞通道(h),使(g)腔油通过(i)而卸压,此时变量活塞上移,泵的流量减小。
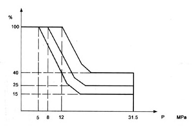
   下图表示YCY14-1B泵的变量特性曲线,其阴影表示特性调节范围。AB的斜率是由外弹簧(307)刚度决定的,BC的斜率是由外弹簧(307)和内弹簧(306)的合成刚度决定的,CD的长短取决于限位螺钉的位置(限制变量头的倾斜角)。
   调节变量特性时,如需按A1B1C1D1规律变化,可先将限位螺钉拧至上端,然后调节弹簧套(305)使其流量刚发生变化时的压力与A1点的压力相符,再调节限位螺钉,使流量不再变化时的高压流量与D1点的流量相符,其中间压力与流量的变化关系是预先设计好的,不需要调整,只要A1和D1两点的流量、压力调好了,该泵就自动地按A1B1C1特性曲线变化。
   这种变量型式的特性曲线是近似地按恒功率变化。上述特性的转换点A1和D1的参数可按以下方法计算:
   例如:已知某一机器的工艺特性要求泵的最大压力为Pmax,在Pmax时D1点的流量为Q1,泵在低压时的流量为Qmax,则泵在A1点的压力为:
   其中:ηP1—泵在P1的总效率
   ηPmax—泵在Pmax的总效率
   在本系列泵中,可取ηP1/ηPmax≈1
   原动机的功率选择可以按下式:
   NH=Pmax·Q1/60η
   其中η可取0.8-0.9(当Q1较小时取较小值,较大时取较大值。)
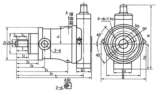
结构图
特性曲线
10.25(32)40.63(80)YCY14-1B(括号内为YGY)
160.250.(400)YCY14-1B
 
推荐管道尺寸(不可逆泵用)
型号
进口
出口
回油口
10YCY14-1B
22×16
18×13
10×8
25(32)YCY14-1B
34×24
28×20
10×8
40YCY14-1B
42×30
34×24
12×10
63(80)YCY14-1B
50×38
42×30
12×10
160YCY14-1B
63×46
50×38
18×15
250YCY14-1B
75×55
63×46
18×15
400YGY14-1B
90×66
75×55
22×18
 
型号
B
b
b0
(N9)
b1
b2
b3
D0
D1
(f9)
D2
D3
d
(h6)
d1
d2
d3
10YCY14-1B
172
142
8
50
88
100
75
125
150
25
M22×1.5
M14×1.5
25(32)YCY14-1B
198
172
8
66
100
125
100
150
170
30
M33×2
M14×1.5
40YCY14-1B
210
180
10
66
100
135
100
164
182
32
M39×2
M18×1.5
63(80)YCY14-1B
258
200
12
74
104
155
120
190
225
40
M42×2
M18×1.5
160YCY14-1B
329
340
16
100
120
90
198
150
240
300
55
50
64
M22×1.5
250(400)YCY14-1B
385
420
18
100
140
110
230
180
280
360
60
55
76
M22×1.5
 
型号
H
h1
h2
h3
L
I
I0
I1
I2
I3
I4
I5
I6
t
d0×h0
10YCY14-1B
288
71
100
295
40
30
4
41
86
109
194
258
28
M10×25深
25.32YCY14-1B
351
83
120
362
52
45
4
54
104
134
246
317
32.5
M10×25深
40YCY14-1B
373
87
120
362
49
45
4
54
104
136
236
317
35
M10×25深
63YCY14-1B
400
108
140
440
60
50
4
62
122
157
300
389
42.8
M12×25深
160YCY14-1B
448
141
173
25
595
106
100
4
110
180
230
411
533
59
M16×35深
250(400)YCY14-1B
576
170
210
25
691
110
100
5
112
212
272
492
629
63.9
M20×45深
 
    
启东市润迪油泵制造有限公司  地址:启东科技创业园杨沙路6号  电话:0513-83630695   传真:0513-83630690 轴向柱塞泵
手机:13906284160  网址:www.shzfsy.com  邮箱:zy@shzfsy.com jsqdrd@126.com百度酷站目录 GOOGLE