MCY型轴向柱塞泵
    SCY型轴向柱塞泵
    CCY型轴向柱塞泵
    YCY型轴向柱塞泵
    MYCY型轴向柱塞泵
    PCY型轴向柱塞泵
    DCY型轴向柱塞泵
    BCY型轴向柱塞泵
    母线槽
    电缆桥架
    纺织导向板
    轴向柱塞泵配件
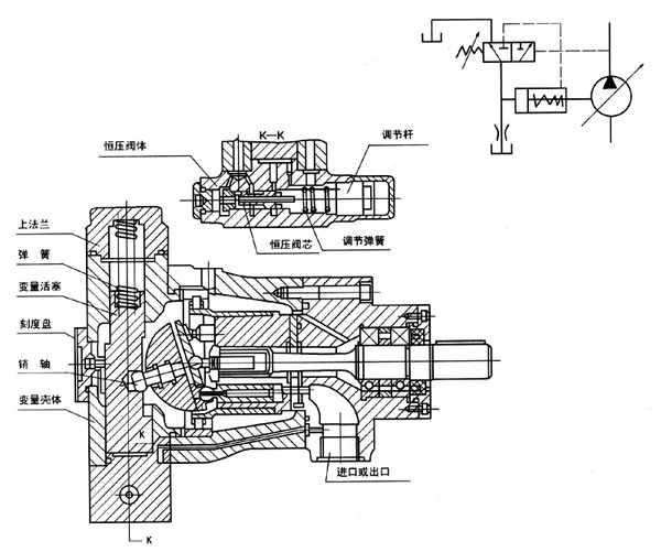
PCY型轴向柱塞泵结构原理简述
   这种变量型式的泵,输出压力小于调定恒压力时,全排量输出压力油,即定量输出,在输出油液的压力达到调定压力时,就自动地调节泵流量,以保持该恒压力,满足系统的要求。泵的输出恒压值,根据需要,在调压范围内可以无级调定。泵的结构见上图,该结构将输出压力油同时通至变量活塞下腔和恒压阀的控制油入口,当输出压力小于调定恒压力时,作用在恒压阀芯上的油压推力小于调定弹簧力,恒压阀处于开启状态,压力油进入变量活塞上腔,变量活塞压在最低位置,泵全排量输出压力油:当泵在调定压力工作时,作用在恒压阀芯上的油压推力等于调定弹簧力,恒压阀的进排油口同时处于开启状态,使变量活塞上下腔的油压推力相等,变量活塞平衡在某一位置工作,若液压阻尼(负载)加大,油压瞬时升高,恒压阀排油口开大、进油口关小,变量活塞上腔比较下腔压力降低、变量活塞向上移动,泵的流量减小,直至压力下降到调定恒压力,这时变量活塞在新的平衡位置工作。反之,若液压阻尼(负载)减小,油压瞬时下降,恒压阀进油口开大,排油口关小,变量活塞上腔比较下腔油压升高,变量活塞向下移动,泵的流量增大,直至压力上升至调定恒压力。
 
结构图
特性曲线
10.25.(32).40.63.(80)PCY14-1B括号内为PGY
 
160.250.(400)PCY14-1B
型号
进口
出口
回油口
10PCY14-1B
22×16
18×13
10×8
25(32)PCY14-1B
34×24
28×20
10×8
40PCY14-1B
42×30
34×24
12×10
63(80)PCY14-1B
50×38
42×30
12×10
160PCY14-1B
63×46
50×38
18×15
250PCY14-1B
75×55
63×46
18×15
400PGY14-1B
90×66
75×55
22×18
 
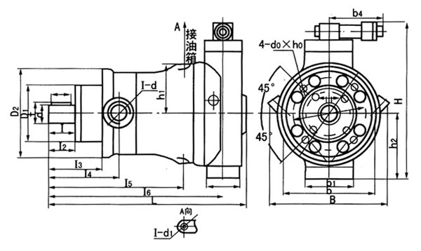
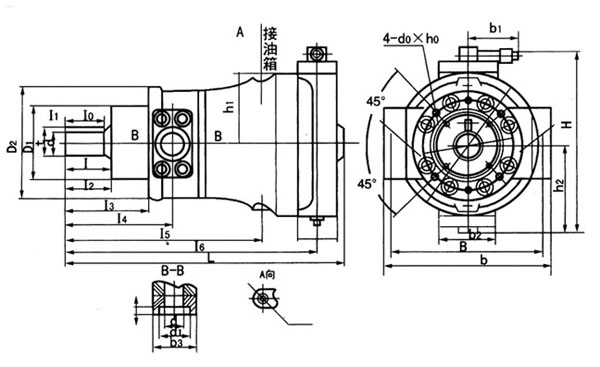
型号
B
b
b0
(N9)
b1
b2
b3
b4
D0
D1
(f9)
D2
D3
d
(h6)
d1
d2
d3
10PCY14-1B
180
142
8
50
88
110
100
75
125
150
25
M22×1.5
M14×1.5
25(32)PCY14-1B
191
172
8
66
100
110
125
100
150
170
30
M33×2
M14×1.5
40PCY14-1B
191
172
10
66
100
110
135
100
150
170
32
M39×2
M18×1.5
63(80)PCY14-1B
258
200
12
74
104
110
155
120
190
225
40
M42×2
M18×1.5
160PCY14-1B
322
340
16
100
120
90
110
198
150
240
300
55
50
64
M22×1.5
250PCY14-1B
385
420
18
100
140
110
110
230
180
280
360
60
55
76
M22×1.5
400PGY14-1B
385
420
18
100
140
110
110
230
180
280
360
60
65
76
M22×1.5
 
型号
H
h1
h2
h3
L
I
I0
I1
I2
I3
I4
I5
I6
t
d0×h0
10PCY14-1B
255
71
101
295
40
30
4
41
86
109
194
258
28
M10×25深
25(32)PCY14-1B
280
83
120
362
52
45
4
54
104
134
246
317
32.5
M10×25深
40PCY14-1B
280
83
120
362
52
45
4
54
104
134
246
317
35
M10×25深
63(80)PCY14-1B
329
108
140
440
60
50
4
62
122
157
300
389
42.8
M12×25深
160PCY14-1B
396
141
173
25
595
106
100
4
110
180
230
411
533
59
M16×35深
250PCY14-1B
465
170
210
25
691
110
100
5
112
212
272
492
629
63.9
M20×45深
400PGY14-1B
465
170
210
25
701
110
100
5
112
212
277
502
629
63.9
M20×45深
 
    
启东市润迪油泵制造有限公司  地址:启东科技创业园杨沙路6号  电话:0513-83630695   传真:0513-83630690 轴向柱塞泵
手机:13906284160  网址:www.shzfsy.com  邮箱:zy@shzfsy.com jsqdrd@126.com百度酷站目录 GOOGLE