MCY型轴向柱塞泵
    SCY型轴向柱塞泵
    CCY型轴向柱塞泵
    YCY型轴向柱塞泵
    MYCY型轴向柱塞泵
    PCY型轴向柱塞泵
    DCY型轴向柱塞泵
    BCY型轴向柱塞泵
    母线槽
    电缆桥架
    纺织导向板
    轴向柱塞泵配件
结构原理简述
   SCY型轴向柱塞泵,其原理为转动手轮使变量活塞上下移动,带动变量头倾斜角变化,改变柱塞行程长短,达到变量的目的。这种变量型只适用于不频繁变量,而且不需要远距离操纵的情况下。
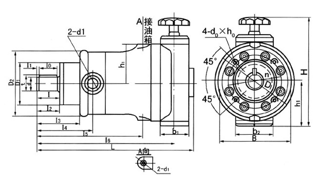
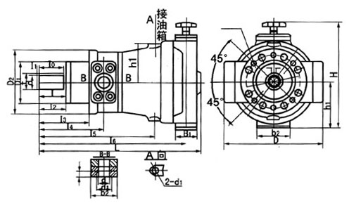
结构图
特性曲线
10.25(32).40.63.(80) SCY14-1B(括号内为SGY)
160.250.(400)SCY14-1B
推荐管道尺寸(不可逆泵使用)
型号
进口
出口
回油口
10SCY14-1B
22×16
18×13
10×8
25.(32)SCY14-1B
34×24
28×20
10×8
40SCY14-1B
42×30
34×24
12×10
63.(80)SCY14-1B
50×38
42×30
12×10
160SCY14-1B
63×46
50×38
18×15
250SCY14-1B
75×55
63×46
18×15
(400)SCY14-1B
90×66
75×55
22×18
 
型号
b
b0
(N9)
b1
b2
b3
D0
D1
(f9)
D2
D3
d
(h6)
d1
d2
d3
H
10SCY14-1B
142
8
50
88
100
75
125
150
25
M22×1.5
M14×1.5
231
25(32)SCY14-1B
172
8
66
100
125
100
150
170
30
M33×2
M14×1.5
266
40SCY14-1B
180
10
66
100
135
100
164
182
32
M39×2
M18×1.5
274
63(80)SCY14-1B
200
12
74
104
155
120
190
225
40
M42×2
M18×1.5
305
160SCY14-1B
340
16
100
120
90
198
150
240
300
55
50
64
M22×1.5
393
250(400)SCY14-1B
420
18
100
140
110
140
110
230
180
280
360
76
M22×1.5
470
 
型号
h1
h2
h3
L
I
I0
I1
I2
I3
I4
I5
I6
t
d0×h0
10SCY14-1B
71
91
295
40
30
4
41
86
109
194
258
28
M10×25深
25(32)SCY14-1B
83
101
362
52
45
4
54
104
134
246
317
32.5
M10×25深
40SCY14-1B
87
112
362
49
45
4
54
104
136
236
317
35
M10×25深
63(80)SCY14-1B
108
130
440
60
50
4
62
122
157
300
389
42.8
M12×25深
160SCY14-1B
141
165
25
595
106
100
4
110
180
230
411
533
59
M16×35深
250SCY14-1B
170
203
25
691
110
100
5
112
212
272
492
629
63.9
M20×45深
400SCY14-1B
170
203
25
701
110
100
5
112
212
277
502
629
63.9
M20×45深
 
    
启东市润迪油泵制造有限公司  地址:启东科技创业园杨沙路6号  电话:0513-83630695   传真:0513-83630690 轴向柱塞泵
手机:13906284160  网址:www.shzfsy.com  邮箱:zy@shzfsy.com jsqdrd@126.com百度酷站目录 GOOGLE