MCY型轴向柱塞泵
    SCY型轴向柱塞泵
    CCY型轴向柱塞泵
    YCY型轴向柱塞泵
    MYCY型轴向柱塞泵
    PCY型轴向柱塞泵
    DCY型轴向柱塞泵
    BCY型轴向柱塞泵
    母线槽
    电缆桥架
    纺织导向板
    轴向柱塞泵配件
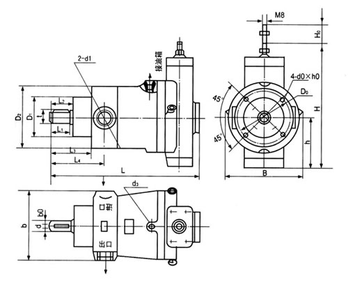
轴向柱塞泵结构图
特性曲线
10、25、(32)40、63(80)CCY14-1B(括号内为CGY)
D的公差f9d的公差h6
泵的型号
进口
出口
10CCY14-1B
22×16
22×16
25(32)CCY14-1B
34×24
34×24
40CCY14-1B
42×30
42×30
63CCY14-1B
50×38
50×38
160、250、(400)CCY14-1B
推荐使用管道尺寸(d外×d内)
泵的型号
进口
出口
160CCY14-1B
63×46
63×46
250CCY14-1B
75×55
75×55
400CCY14-1B
90×66
90×66
 
尺寸
型号
B
b
b0
b1
b2
D0
D1
D2
d
d1
d2
d3
H
h
h1
L
I1
I2
I3
I4
t
d0×h0
H0
10
172
142
8
100
75
125
25
M22×1.5
M14×1.5
227
92
295
40
41
86
109
28
M10×25
23.4
25
(32)
198
172
8
125
100
150
30
M33×2
M14×1.5
295
125
362
52
54
104
134
32.5
M10×25
34.6
40
CCY14-1B
198
172
10
135
100
150
32
M39×2
M18×1.5
295
125
362
52
54
104
134
35
M10×25
34.6
63
(80)
258
200
12
155
120
190
40
M42×2
M18×1.5
337
140
440
60
62
122
157
42.8
M12×25
41.4
160
322
340
16
90
160
198
150
240
55
50
64
M22×1.5
391
172
25
595
106
110
180
230
59.5
M16×35
42.8
250
CCY14-1B
385
420
18
110
180
230
180
280
60
55
76
M22×1.5
458
210
25
691
110
112
212
272
63.9
M20×45
55.6
400
385
420
18
110
180
230
180
280
60
65
76
M22×1.5
458
210
25
701
110
112
212
277
63.9
M20×45
55.6
 
    
启东市润迪油泵制造有限公司  地址:启东科技创业园杨沙路6号  电话:0513-83630695   传真:0513-83630690 轴向柱塞泵
手机:13906284160  网址:www.shzfsy.com  邮箱:zy@shzfsy.com jsqdrd@126.com百度酷站目录 GOOGLE